
MODEL.
DPF-14Z,22Z,24Z
DPF 확산 펌프는 뛰어난 진공 성능을 제공하여 다양한 고진공 응용 분야에 이상적인 선택입니다.
신뢰성과 효율성을 위해 설계된 이 펌프는 높은 배기 속도와 탁월한 최종 도달 진공을 제공합니다.
주요 특징 및 장점
높은 배기 속도 (High Pumping Speed)
빠른 시간 최대 배기 속도를 달성하여 신속한 진공을 보장합니다.
진공 능력 (Vacuum Capability)
1*10e-7 Torr 10-5 Pa범위의 최종 도달 진공을 달성하여 고진공 공정에 적합합니다.
견고한 설계 (Robust Design)
최대 허용 전진공 1* 10e-1 Torr에서 안정적으로 작동합니다.
빠른 작동 (Fast Operation)
20분의 짧은 예열 시간 및 가동 중지 시간을 최소화합니다.

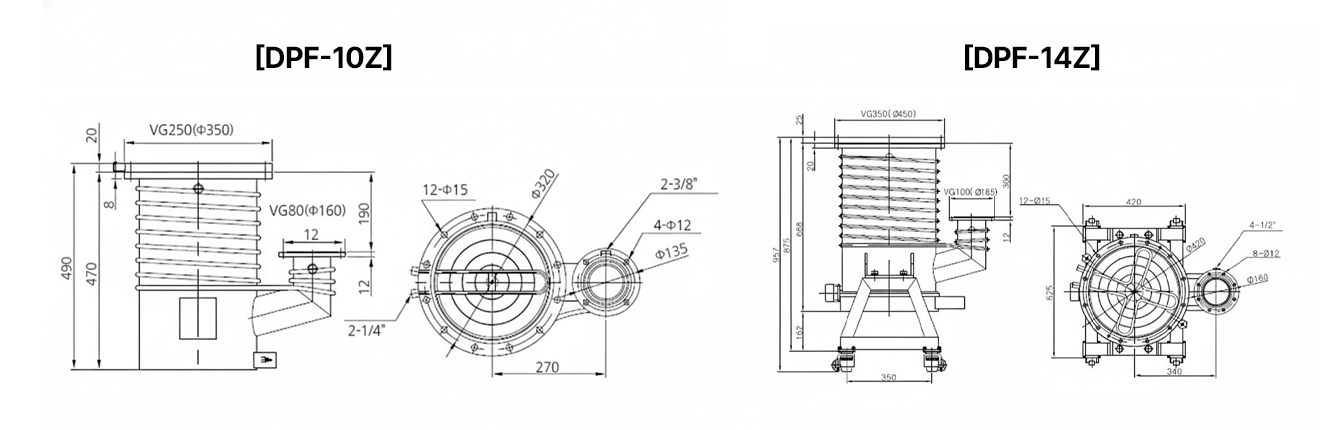
모델별 성능 사양
| Item | Unit | DPF-10Z | DPF-14Z | DPF-24Z | |
|---|---|---|---|---|---|
| Pumping Speed | With baffle | ℓ / sec | 1200 | 2350 | 6000 |
| Without baffle | 2070 | 3600 | 13000 | ||
| Ultimate vacuum | Torr(Pa) | X 10⁻⁷(X 10⁻⁵) | X 10⁻⁷(X 10⁻⁵) | X 10⁻⁷(X 10⁻⁵) | |
| Max. allowablefore pressure | Torr(Pa) | 1.1 X 10⁻¹( 15 ) | 1.1 X 10⁻¹( 15 ) | 4.5 X 10⁻¹( 60 ) | |
| Oil back streamrate | With baffle | mg/cm² min | X 10⁻⁶ | X 10⁻⁶ | X 10⁻⁵ |
| Without baffle | X 10⁻² | X 10⁻² | X 10⁻² | ||
| Oil | DC 704 | DC 704 | DC 704 | ||
| Oil capacity | mℓ | 820 | 1600 | 5000 | |
| Electric power | V / ∅ | 220/1 | 220/380 3P | 220/380 3P | |
| Heater power | W | 1900 | 4500 | 7000 | |
| Warm-up time | min | 25 | 30 | 40 | |
| Cooling water flow | ℓ / min (at 20℃) | 4 | 7 | 12 | |
| Weight | Kg | 41 | 120 | 200 | |
| Inlet size | VG250 | VG350 | VG600 | ||
| Outlet size | VG50 | VG100 | VG200 | ||
Unit Conversion Table
| Pa | Torr | atm | mbar | PSI | |
|---|---|---|---|---|---|
| Pa | 1 | 7.5x10⁻³ | 9.87x10⁻⁶ | 10⁻² | 1.45x10⁻⁵ |
| mmHg | 1.33x10² | 1 | 1.32x10⁻³ | 1.33 | 1.93x10⁻² |
| atm | 1.01x10⁵ | 760 | 1 | 1.01x10³ | 14.7 |
| mbar | 100 | 0.75 | 9.87x10⁻⁴ | 1 | 1.45x10⁻² |
| PSI | 6.98x10³ | 51.72 | 6.8x10⁻² | 68.95 | 1 |
Pump Speed Conversion Table
| L/s | L/min | m³/h | cfm | |
|---|---|---|---|---|
| L/s | 1 | 60 | 3.6 | 2.119 |
| L/min | 0.017 | 1 | 0.06 | 0.035 |
| m³/h | 0.278 | 16.67 | 1 | 0.589 |
| cfm | 0.472 | 28.316 | 1.699 | 1 |

적용 분야
원텍은 기술 혁신을 통해 지속적으로 제품을 개선하며, 고객의 성공을 위한 최적의 파트너가 되기 위해 노력합니다.

의료 및 제약 산업
의약품 생산 및 의료 장비에 필요한 진공 환경 제공

진공 증착 및 코팅
스퍼터링 시스템 및 증착 공정에 적합한 안정적 진공 성능

건조 및 탈기 공정
산업용 건조 및 탈기 공정에서 효율적인 작업 지원
Won-Tec은 고객의 성공적인 비즈니스를 위해
최고의 진공 솔루션을 제공합니다
Won-Tec은 고객의
성공적인 비즈니스를 위해
최고의 진공 솔루션을 제공합니다